Jellemzők
Páratlan hatékonyságával, mindent átfogó termékskálájával és beépített kommunikációs lehetőségeivel, a MAGNA3 ideális olyan mérnökök és beszerzők számára, akik nagy teljesítményű fűtő- és hűtőrendszereket keresnek.
A MAGNA3 ideális választás szinte bármilyen épületprojekthez – legyen az régi vagy új.
A szivattyú védett forgórészű típusú, ami azt jelenti, hogy a szivattyú és a motor egy egységet képez tengelytömítés nélkül és csak két tömítőgyűrűt használ tömítésként.
A csapágyakat a szivattyúzott folyadék keni.
A MAGNA3 olyan szivattyú, ami nem igényel karbantartást és rendkívül alacsony az fenntartási költsége.
AUTOADAPT
FLOWADAPT és FLOWLIMIT (csökkenti a szivattyú fojtószelep igényét)
Arányos nyomás szabályozás
Állandó nyomás szabályozás
Állandó hőmérséklet szabályozás
Hőmérséklet-különbség szabályozás (további hőmérséklet-érzékelőt igényel)
Állandó görbe üzemmód
Maximum and minimum munkagörbe
Automatikus éjszakai üzemmód
Hőmennyiség-monitor
Nincs szükség külső motorvédelemre
Innovatív szorítógyűrű, amelyen egyetlen csavar teszi könnyen áthelyezhetővé a szivattyúfejet.
A fűtőrendszerekhez használt egyfejes szivattyúkat hőszigetelő burkolattal szállítjuk
Átfogó hőmérséklet-tartomány a léghűtésű elektronika miatt
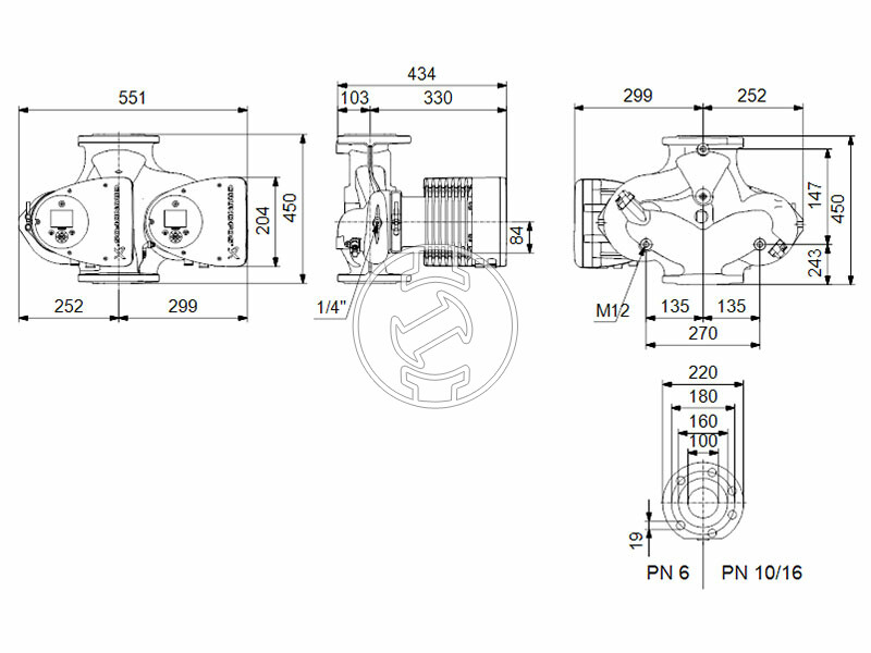
Műszaki adatok
Névleges térfogatáram 32.88 m³/h
Névleges szállítómagasság 8.237 m
Max. szállítómagasság 80 dm
TF osztály 110
Megengedett hőmérséklettartomány 0 .. 40 °C
Maximális üzemi nyomás 10 bar
Karimaszabvány DIN
Csőcsatlakozás DN 100
Névl. nyomás PN 10
Beépítési hossz 450 mm
Energia (EEI) 0.17
Nettó tömeg 61.5 kg
Össztömeg 71.4 kg
Szivattyúzott közeg Víz
Folyadékhőmérséklet tartomány -10 .. 110 °C
Folyadék-hőmérséklet működés közben 60 °C
Sűrűség 983.2 kg/m³
Telj. - P1 32 .. 1133 W
Hálózati frekvencia 50 / 60 Hz
Névleges feszültség 1 x 230 V
Maximális áramfelvétel 0.33 .. 5.08 A
Védettségi osztály(IEC 34-5) X4D
Szigetelési osztály(IEC 85) F







