Jellemzők
A szivattyú folyadékkal érintkező részeinek anyaga minőségi rozsdamentes acél. A mechanikus tengelytömítés egy speciális, tehermentesítés nélküli O-gyűrűs tömítést tartalmazó konstrukció. Csőcsatlakozás belső Whitworth csőmenettel, Rp (ISO 7/1). A szivattyú ventilátor hűtésű, 3-fázisú, talpas kivitelű aszinkronmotorral van ellátva.
Használható
- Csepegtető/mikro permetező
- Fagyvédelem
- Pivot nyomásfokozás
- Öntözés felszini vízből
- Légkondicionálás kereskedelmi épületekben
- Nyomásfokozás - Kereskedelmi épületek
- Ivóvíz nyomásfokozás
- Központi fűtés
- Öntözés
- Sótalalanítás
- Fűtés-Ipar
- Mosás és tisztítás
- Ipari vízellátás
- Vízelosztás - Vízellátás
Műszaki adatok
Fordulatszám: 2900 rpm
Névleges térfogatáram: 10 m³/h
Névleges szállítómagasság: 24.61 m
Járókerekek: 2
Tengelytömítés kódja: AQQV
Jóváhagyások: CE,WRAS,ACS,EAC
Görbe tűrése: ISO9906:2012 3B
Szivattyúváltozat: A
Modell: A
Szivattyúház: Stainless steel, EN 1.4401, AISI 316
Járókerék: Stainless steel, EN 1.4401, AISI 316
Anyagkód: G
Gumi kód: V
Megengedett hőmérséklettartomány: -20 .. 55 °C
Maximális üzemi nyomás: 16 bar
Max. nyomás az adott hőmérsékleten: 16 bar / 90 °C; 10 bar / 120 °C
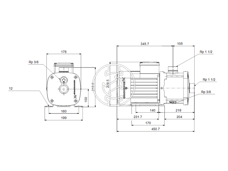
Csatlakozó típusa: Rp
Bemenet csatlakozó méret: 1 1/2 inch
Nyomóoldali csatlakozó mérete: 1 1/2 inch
Nyomóold. poz.: 12
Csatlakozási kód: R
Szivattyúzott közeg: Víz
Folyadékhőmérséklet tartomány: -20 .. 120 °C
Folyadék-hőmérséklet működés közben: 20 °C
Sűrűség: 998.2 kg/m³
Motor normál: IEC
Beép. méret: 90SD
IE hatékonysági osztály: IE3
Névleges teljesítmény - P2: 1.5 kW
Hálózati frekvencia: 50 Hz
Alkalmas: 50/60 Hz-reN
Fázisok száma: 3
Névleges feszültség: 220-240D/380-415Y V
Biztonsági tényező: 1.00
Névleges áram: 5.70/3.30 A
Indítási áramfelvétel: 710-790 %
Névleges fordulatszám: 2890-2910 rpm
Védettségi osztály (IEC 34-5): IP55
Szigetelés osztály (IEC 85): F
Beépített motorvédelem: Nincs
Kábel mellékelve (Igen/Nem): N




















