Jellemzők
Függőleges centrifugál szivattyú, amelyen a be- és kimeneti csonkok egy szintben helyezkednek el. A szivattyúfej és a szivattyútest anyaga öntöttvas - minden más alkatrész, amely a folyadékkal érintkezik, rozsadamentes acél. A patronos kivitelű tengelytömítés nagy megbízhatóságot, biztonságos kezelést és egyszerű javítást biztosít. Erőátvitel osztott tengelykapcsolón keresztül. Csőcsatlakozás DIN karimákkal. A szivattyú ventilátor hűtésű, 3-fázisú, talpas kivitelű aszinkronmotorral van ellátva.
Műszaki adatok
Szivattyúzott közeg: Víz
Folyadékhőmérséklet tartomány: -30 .. 120 °C
Folyadék-hőmérséklet működés közben: 20 °C
Sűrűség: 998.2 kg/m³
A szivattyú müszaki adataihoz tartozó fordulatszám.: 2923 rpm
Névleges térfogatáram: 45 m³/h
Névleges szállítómagasság: 79.6 m
Szivattyú tájolása: Vertical
Tengelytömítés elrendezés: Single
Tengelytömítés kódja: HQQE
Jóváhagyások: CE,EAC,UKCA,SEPRO
Jóváhagyások ivóvízhez: WRAS,ACS
Alap: Öntöttvas
Járókerék: Rozsdamentes acél
Csapágy: SIC
Támcsapágy: Graflon
t max körny.: 60 °C
Maximális üzemi nyomás: 16 bar
Max. nyomás az adott hőmérsékleten: 16 bar / 120 °C 16 bar / -30 °C
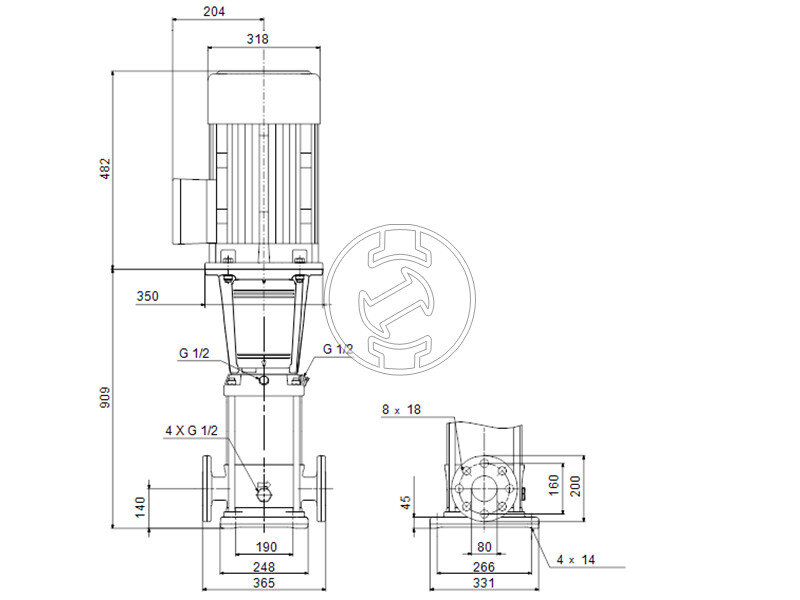
Csatlakozó típusa: DIN
Bemenet csatlakozó méret: DN 80
Nyomóoldali csatlakozó mérete: DN 80
A csőcsatlakozás névleges nyomása: PN 40
A motor karimamérete: FF300
Motor normál: IEC
Motortípus: 160MD
IE Hatásfok osztály: IE3
Névleges teljesítmény - P2: 15 kW
Szükséges szivattyú teljesítmény (P2): 15 kW
Hálózati frekvencia: 50 Hz
Névleges feszültség: 3 x 380-415D/660-690Y V
Névleges áram: 28,0-26,0/16,2-15,6 A
Indítási áramfelvétel: 660-780 %
Cos fi - teljesítménytényező: 0.89-0.87
Névleges fordulatszám: 2930-2950 rpm
Hatásfok: IE3 91,9%
Motor hatásfok teljes terhelésnél: 91.9-91.9 %
Motor hatásfok 3/4 terhelésnél: 92.4 %
Motor hatásfok 1/2 terhelésnél: 92.4 %
Pólusok száma: 2
Védettségi osztály (IEC 34-5): 55 Dust/Jetting
Szigetelési osztály (IEC 85): F
Saját tömeg: 179 kg
Össztömeg: 212 kg



