Jellemzők
Nedvestengelyű keringetőszivattyú, a szivattyú és a motor
egy egységet képez. A szivattyúban nincs tengelytömítés és
mindössze két tömítőgyűrű található a teljes egységben. A
csapágyak kenését a szállított közeg biztosítja. Az
újrahasznosításból adódó problémák elkerülésére a
szivattyúkhoz felhasznált anyagok számát a minimálisra
csökkentették. A szivattyú karbantartást nem igényel, így a
fenntartási költségek nagymértékben csökkennek.
A beépített szabályozóval rendelkező MAGNA1 keringető
szivattyú, a rendszer igényei szerint változtatja
pillanatnyi teljesítményét. Sok rendszerben ez jelentős
energiamegtakarítást eredményez. A szivattyú használati
melegvíz rendszerekben is alkalmazható. A megfelelő
működés érdekében fontos, hogy a munkapont a szivattyú
méretezési tartományán belül essen.
Biztonságos kiválasztás
Egyszerű beépítés
Alacsony energiafogyasztás. A MAGNA1 sorozat szivattyúi megfelelnek az EuP direktíva követelményeinek.
Kilenc jelzőfény a szivattyú beállításához. Három arányos nyomáskülönbség görbe, három állandó nyomás görbe és három fix fordulatszámú görbe kiválasztása lehetséges
Alacsony zajszint
Karbantartás mentes és hosszú élettartamú
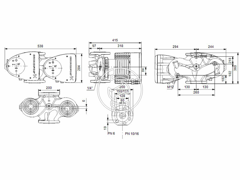
Műszaki adatok
Max. szállítómagasság 40 dm
TF osztály 110
Megengedett hőmérséklettartomány 0 .. 40 °C
Maximális üzemi nyomás 10 bar
Karimaszabvány DIN
Csőcsatlakozás DN 80
Névl. nyomás PN 10
Beépítési hossz 360 mm
Energia (EEI) 0.21
Nettó tömeg 47 kg
Össztömeg 54.6 kg
Szivattyúzott közeg Víz
Folyadékhőmérséklet tartomány -10 .. 110 °C
Folyadék-hőmérséklet működés közben 60 °C
Sűrűség 983.2 kg/m³
Telj. - P1 25.3 .. 333 W
Hálózati frekvencia 50 / 60 Hz
Névleges feszültség 1 x 230 V
Maximális áramfelvétel 0.27 .. 1.49 A
Védettségi osztály(IEC 34-5) X4D
Szigetelési osztály(IEC 85) F







