Jellemzők
Páratlan hatékonyságával, mindent átfogó termékskálájával és beépített kommunikációs lehetőségeivel, a MAGNA3 ideális olyan mérnökök és beszerzők számára, akik nagy teljesítményű fűtő- és hűtőrendszereket keresnek.
A MAGNA3 ideális választás szinte bármilyen épületprojekthez – legyen az régi vagy új.
A szivattyú védett forgórészű típusú, ami azt jelenti, hogy a szivattyú és a motor egy egységet képez tengelytömítés nélkül és csak két tömítőgyűrűt használ tömítésként.
A csapágyakat a szivattyúzott folyadék keni.
A MAGNA3 olyan szivattyú, ami nem igényel karbantartást és rendkívül alacsony az fenntartási költsége.
AUTOADAPT
FLOWADAPT és FLOWLIMIT (csökkenti a szivattyú fojtószelep igényét)
Arányos nyomás szabályozás
Állandó nyomás szabályozás
Állandó hőmérséklet szabályozás
Hőmérséklet-különbség szabályozás (további hőmérséklet-érzékelőt igényel)
Állandó görbe üzemmód
Maximum and minimum munkagörbe
Automatikus éjszakai üzemmód
Hőmennyiség-monitor
Nincs szükség külső motorvédelemre
Innovatív szorítógyűrű, amelyen egyetlen csavar teszi könnyen áthelyezhetővé a szivattyúfejet.
A fűtőrendszerekhez használt egyfejes szivattyúkat hőszigetelő burkolattal szállítjuk
Átfogó hőmérséklet-tartomány a léghűtésű elektronika miatt
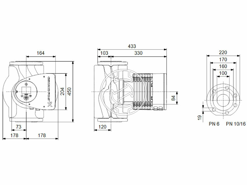
Műszaki adatok
Névleges térfogatáram 34.17 m³/h
Névleges szállítómagasság 8.02 m
Max. szállítómagasság 80 dm
TF osztály 110
Megengedett hőmérséklettartomány 0 .. 40 °C
Maximális üzemi nyomás 6 bar
Karimaszabvány DIN
Csőcsatlakozás DN 100
Névl. nyomás PN 6
Beépítési hossz 450 mm
Energia (EEI) 0.17
Nettó tömeg 34.5 kg
Össztömeg 37.6 kg
Szivattyúzott közeg Víz
Folyadékhőmérséklet tartomány -10 .. 110 °C
Folyadék-hőmérséklet működés közben 60 °C
Sűrűség 983.2 kg/m³
Telj. - P1 31 .. 1122 W
Hálózati frekvencia 50 / 60 Hz
Névleges feszültség 1 x 230 V
Maximális áramfelvétel 0.31 .. 5.06 A
Védettségi osztály(IEC 34-5) X4D
Szigetelési osztály(IEC 85) F








