Jellemzők
Wilo-Yonos PICO1.0 elektronikusan szabályzott, nagyhatásfokú szivattyú. Karbantartást nem igénylő nedvestengelyű keringető szivattyú menetes csatlakozással, blokkolási áramtól védett EC motorral és beépített elektronikus teljesítményszabályozással a fokozatmentes nyomáskülönbség-szabályzáshoz. Az összes fűtési és klímatechnikai alkalmazásban használható. Szabályozási mód radiátoros/padlófűtéses alkalmazás szerint választható.
Sorozatkivitelben az alábbi összetevőkkel:
- Előválasztható szabályozási módok az optimális terhelésillesztéshez:
- Állandó nyomáskülönbség (Δp-c)
- Változó nyomáskülönbség (Δp-v)
LED kijelző:
- A szállítómagasság kijelzése beállításkor
- Az aktuális fogyasztás kijelzése wattban
- A zavarjelzések (hibakódok) megjelenítése
- Az aktivált légtelenítő funkció kijelzése
Manuálsi légtelenítési funkció a forgórész-tér légtelenítéséhez. Beépített motorvédelem. Automatikus blokkolás-mentesítő funkció. Elektromos gyorscsatlakozás a Wilo-csatlakozó segítségével
Műszaki adatok
Maximális üzemi nyomás PN: 10 bar
Térfogatáram Q max: 3,6 m³/h
Legkisebb szívómagasság 50 °C-nál: 0,5 m
Legkisebb szívómagasság 95 °C-nál: 3 m
Legkisebb szívómagasság 110 °C-nál: 10 m
Min. közeghőmérséklet Tmin: -10 °C
Max. közeghőmérséklet Tmax: 95 °C
Max. közeghőmérséklet max. +25 °C környezeti hőmérséklet
esetén Tmax: 95 °C
Max. közeghőmérséklet max. +40 °C környezeti hőmérséklet
esetén Tmax: 95 °C
Min. környezeti hőmérséklet Tmin: -10 °C
Max. környezeti hőmérséklet Tmax: 40 °C
Szivattyúház: Öntöttvas
Járókerék: PP-GF40
Tengely: rozsdamentes acél
Energiahatékonysági index (EEI): 0.20
Hálózati csatlakozás: 1~230 V ±10%, 50/60 Hz
Névleges teljesítmény P: 230 W
Min. fordulatszám nmin: 700 1/min
Max. fordulatszám nmax: 4200 1/min
Teljesítményfelvétel (min) P1 min: 4 W
Teljesítményfelvétel P1 max: 40 W
Zavarkibocsátás: EN 61000-6-3
Zavartűrés: EN 61000-6-2
Elektromágneses összeférhetőség: EN 61800-3
Kábelcsavarzat: 1 x PG11
Szigetelési osztály: F
Védelmi osztály: IPX4D
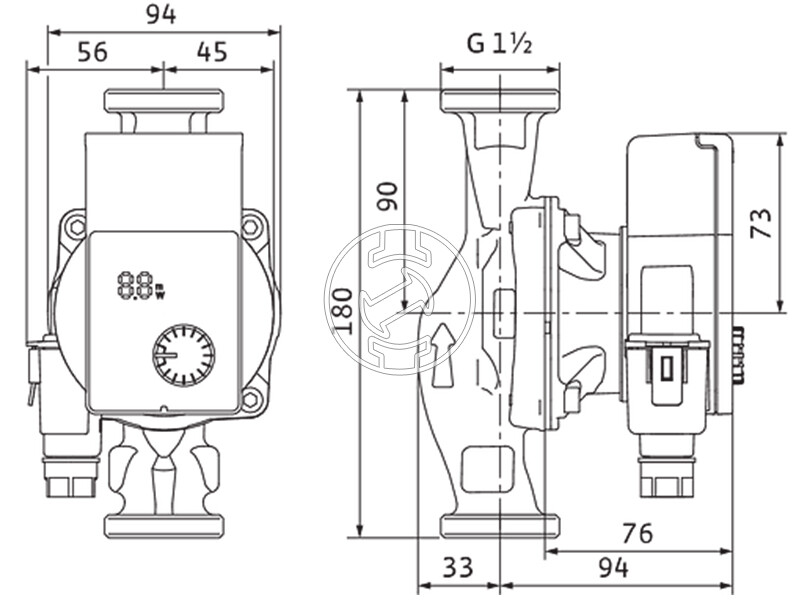
Nyomóoldali csőcsatlakozás: G 1½
Szívóoldali csőcsatlakozás: G 1½
Beépítési hossz l0: 180 mm
Nettó tömeg: 1,8 kg



